Датчик фаз ДФ ВАЗ 2114, ВАЗ 2115 неисправности и замена
Приветствую вас друзья на сайте ремонт автомобилей своими руками. Датчик фаз ВАЗ 2114, ВАЗ 2115 один из основных датчиков, с помощью которых контроллер вычисляет параметры работы движка на инжекторных моторах российского производства.
Хочется сразу сказать, что ДФ стоит и на других марках ВАЗ, типа десятка, Калина, Приора и так далее, просто в этой статье мы рассматриваем его описание на примере этих моделей.

Датчик фаз (ДФ) ВАЗ 2114
Этот датчик определяет положение распредвала. Его ещё называют ДПРВ. ДФ устанавливается на 16 клапанные агрегаты ВАЗ и на восьми клапанные с норами токсичности ЕВРО-3, поскольку он экономить топливо.
Для любителей истории, датчик фаз начали устанавливать в массовом производстве на заводах ВАЗ с 2007 года.
Для чего нужен датчик фаз (ДФ)?
Перед тем, как рассказывать о ремонте, нужно узнать, для чего нужен этот датчик. Он определяет циклы работы ДВС. Кулачки распредвала приводят в движение клапана, а ДФ определяет, какой клапан открыт.
Это интегральный блок управления, то есть в его входит чувствительный элемент и система преобразования сигнала. Там присутствует элемент Холла – данные снимаются по изменению магнитного поля.
В преобразователе есть мостовая схема, блок преобразователя, выходной каскад. Работа заключается в том, что ДФ определяет фазы впуска и выпуска 1-го цилиндра.
Для карбюраторных двигателей он не нужен, потому что искра подается в момент сжатия и в конце выпуска отработанных газов. Для этого достаточно ДПКВ.
Грубо говоря, датчик фаз ВАЗ 2114, 2115 выполняется функция системы впрыска топлива. При его поломке работа по искрообразованию падает на датчик положения коленвала. Конструкции, что применяются на 16-ти клапанных авто отличаются от восьми клапанных.
Теперь попробуем объяснить простыми словами, как работает система фазированного впрыска. Получается примерно так, ДФ дает сигнал на электронную систему управления двигателем (ЭСУД), а он в свою очередь дает команду на впрыск топлива, при этом впускной клапан начинает открываться, и после того как он открылся воздух всасывается и перемешивается с бензином получается смесь.
Когда он не работает, топливо может подаваться одновременно на два цилиндра. При поломке бортовой компьютер выдает ошибку 0340 или 0343, что свидетельствует о неисправности датчика фаз.
Также могут наблюдаться такие признаки:
- При вращение стартера четыре, пять секунд движок запускается и загорается лампочка проверить движок (check engine). Это значит что ЭБУ ждет сигнал от ДФ и, не получив его, списывает данные с датчика положения коленвала.
- Довольно прилично увеличивается расход топлива, процентов на 15.
- Не работает режим самодиагностики.
- Падает динамика двигателя.
Неисправности датчика фаз определить в домашних условия трудно. Так что его диагностику нужно проводить на специальных СТО, поскольку оборудование для его диагностики стоит достаточно дорого.
Как заменить датчик фаз ВАЗ 2114, самостоятельно.
А вот его замена – очень легкая работа. Он расположен на торце головки блока рядом с воздушным фильтром.
Замена датчика фаз начинается с отключения питание от аккумуляторной батареи. При этом память блока управления будет сброшена.
Если это не сделать, он продолжит работать в режиме, как и при неисправном датчике фаз. Нормальная работа начнется через несколько запусков двигателя.
Инструмент, который будет нужен, это все лишь ключ на десять и герметик. Дальше отсоединяем провода от датчика фаз и снимаем его при помощи ключа.
Новый датчик нужно помазать герметиком, слой должен бить маленький, и перед установкой нужно выдержать примерно минут пять. Устанавливаем его на посадочное место, подключаем провода.
Дальше подключаем аккумулятор, заводим двигатель и смотрим горит ли лампа проверки двигателя «чек». Если она больше не горит, значит датчик установлен правильно.
Вот и все работы вышло, как говорится на десять минут. Да цена самого датчика лежит в пределах 15 долларов в зависимости от регионов.
Замена датчика фаз распредвала
Проверка
Я думаю, вы согласитесь с тем, что замена датчика распредвала на ваз 2110, 2112, на ваз 2115 должна начинаться с его проверки, которую вполне можно сделать своими руками. Для этого вооружаемся мультиметром, включаем его в режим вольтметра и при включенном зажигании измеряем входное напряжение, которое должно быть не менее двенадцати вольт. На 8-ми клапанных двигателях серии 2112(-4) и 21114 колодка проводов просто отсоединяется от датчика…

…на 16-ти клапанном «минус» мультиметра крепится на «массу» автомобиля.
Если напряжение менее этого значения или вовсе отсутствует, это говорит о том, что аккумуляторная батарея разряжена, неисправен электронный блок управления или произошел обрыв в цепи питания.
Замена датчика фаз на двигателях серии 2112 и 21124
На данных двигателях датчик расположен на торце, в задней крышке ремня привода газораспределительного механизма. Замена датчика распредвала на ваз 2110, ваз 2112 не представляет собой ни чего сложного: ключом на «десять» откручиваем два болта и вынимаем его из крышки.
Замена датчика распредвала на ваз 2112
Замена датчика фаз на двигателях серии 2111 и 21114
На двигателях данной серии датчик фаз разместился в крышке распределительного вала, сзади. Замена датчика распредвала на ваз 2115 проходит в следующем порядке:
- При выключенном зажигании разъединяем колодку проводов, предварительно отжав на его корпусе пластмассовый фиксатор;
- Ключом на «десять» откручиваем болт;
- Извлекаем датчик.
Замена ДФ на ваз 2115

Датчик положения распределительного вала ваз 2115 с уплотняющим кольцом
Как вы смогли убедиться, в нашем случае самой сложной частью ремонта было выявление причины неисправности. Я надеюсь, что эта инструкция полностью описывает процесс диагностики и ремонта, и каких либо дополнительных видео и фотоматериалов не требует.
Способы проверки датчика распредвала
Перед выполнением проверки датчика с помощью мультиметра или других электронных приборов необходимо проверить его механическую целостность. В частности, он устанавливается в корпус с уплотнительным кольцом, обеспечивающим его надежное крепление. Нужно проверить его состояние. Также будет нелишним проверить целостность корпуса датчика, наличие на нем трещин или других повреждений. Желательно проверить и задающий диск, не повреждены ли зубья, нет ли на корпусе датчика или поблизости от него металлической стружки.
В интернете можно найти информацию о том, что якобы ДПРВ можно выявить его работоспособность, просто проверив его магнитные свойства. В частности, к его торцу (рабочей чувствительной части) поднести маленькую металлическую деталь, которая должна «прилипнуть» к датчику. На самом деле это не так, и нерабочий ДПРВ может как обладать магнитными свойствами, так и не обладать ими. Соответственно, проверку необходимо выполнять другими методами.
Существует два основных способа проверки датчика положения распределительного вала — с помощью электронного мультиметра и с помощью осциллографа. Первый метод проще и быстрее, однако второй — более точный и дает больше диагностической информации.
Проверка датчика распредвала мультиметром
Для проверки ДПРВ необходим демонтаж. Сделать это несложно, нужно лишь отсоединить от него контактную группу проводов, и отвинтить крепежный болт. Также для проверки вам понадобится небольшой металлический предмет (из черного металла, чтобы он магнитился).
Схема подключения для проверки датчика фаз 21110-3706040
Схема подключения для проверки датчика фаз 21120-3706040
Алгоритм выполнения проверки датчика мультиметром следующий:
- Взять мультиметр и переключить его в режим измерения постоянного напряжения в диапазоне до 20 В (зависит от конкретной модели мультиметра).
- Отсоединить «фишку» от датчика, отщелкнув фиксатор.
- Демонтировать датчик из его посадочного места.
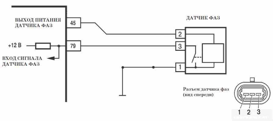
- На «фишке» датчика 21110-3706040 автомобиля ВАЗ (и на многих других) контакт «А» соответствует массе, контакт «С» — плюсовой провод, идет от реле управления, контакт «В» — сигнальный провод (средний). У фишки датчика 21120-3706040 контакт «А» соответствует массе, контакт «В» — плюсовой провод от реле управления, контакт «С» — сигнальный провод.
- Проверить наличие питания на фишках. Для этого нужно включить зажигание на автомобиле (но не запускать двигатель) и проделать это с помощью мультиметра. Если питания на фишках нет — значит, нужно искать причину. Это может быть неисправная проводка (повреждение изоляции, разрыв проводов), выход из строя управляющего реле, «глюк» электронной системы управления (ЭБУ).
- Далее нужно подсоединить датчики для проверки по приведенным на рисунке схемам.
- Подать на датчик напряжение 13,5±0,5В (хотя допускается и меньшее, например, 12…12,5 Вольта от аккумулятора).
- Если при подаче питания на датчик вольтметр фиксирует отсутствие напряжения на датчике, то это сигнализирует либо о поломке самого датчика, проверку можно завершить и готовиться к замене датчика на новый.
- Замерить напряжение между плюсовым и сигнальным контактом. Оно должно равняться не менее 90% от питающего напряжения (то есть, если значение питающего напряжения равно 12 Вольт, то напряжение на сигнальном контакте должно быть не менее 10,8 Вольт).
- Поднести к торцу датчика (его сигнальной части) приготовленный заранее металлический предмет. Повторно замерить напряжение на сигнальном контакте. Оно должно быть не более 0,4 Вольт. Убрать пластину — значение напряжения должно восстановиться до 90. 100% питающего. Если есть какие-либо отклонения в процессе проверки — значит, датчик вышел из строя и подлежит замене.
Проверка ДПРВ с помощью осциллографа
Электронный осциллограф помогает понять, как работает датчик положения распределительного вала, и выдает ли он импульсы вообще. Обычно пользуются так называемым электронным осциллографом, то есть, просто программой-симулятором, установленным на ноутбук или другое подобное устройство. Необходимо подключиться к датчику распредвала и снять с него осциллограмму. В идеале должна быть ровная диаграмма-расческа с одним выпадающим пиком, который соответствует прохождению рэпера через датчик. Если же осциллограмма имеет другую форму — нужна дополнительная проверка.
При диагностике осциллографом датчика распределительного вала автомобилей «Ниссан» (в частности, Nissan Almera) форма осциллограммы будет другой. Она не будет ровной, а в виде 3 импульсов, потом пробел, далее 4 импульсов — пробел, 2 импульсов — пробел и один импульс — пробел. Для двигателей этого автопроизводителя такая особенность является нормой.
Демонтаж датчика фаз
Замена датчика контроля за положением распределительного вала под силу каждого, для ее проведения нужно минимум времени, сил и инструментов. Нам понадобится пять минут и ключик на десять.
- Отвинчиваем болт.
- Извлекаем прибор.
Так как для функционирования даже исправного датчика фаз, необходим прямой контакт с бортовым компьютером, нужно обращать внимание на штекер питания. Проблема замены заключается в том, что в некоторых автомобилях все провода одного цвета
Распиновка датчика поможет правильно распределить их
Выглядит она примерно так, как на фото
Распиновка датчика поможет правильно распределить их. Выглядит она примерно так, как на фото.
Вот, в общем-то и все, что ожидает вас в случае поломки датчика положения распределительного вала. Главное не забудьте отсоединить клеммы и перезагрузить бортовой компьютер, после чего сообщение об ошибке должно исчезнуть. На этом и закончим. До свидания!
Датчик фаз (ДФ) один из многочисленных датчиков, обеспечивающих работу двигателя. Датчик фаз так же называют ещ датчик положения распределительного вала (ДПРВ). Данный датчик не устанавливается в карбюраторном моторе, да и в первых моделях инжекторов ВАЗа.
Датчик присутствует во всех 16-ти клапанных моторах автоваза; На 8-ми клапанных с нормой токсичности евро-3 и с фазированным, последовательно распределнным впрыском топлива; Стоит отметить, что в период с 2004г по 2005г на такие двигатели как 2111, 2112,21114, 21124 с блоками управления двигателем Bosch M7. 9. 7 и Январь 7. 2 началась массовое внедрение Датчиков фаз.
Зачем нужен датчик фаз? Датчик фаз предназначен для определения цикла работы двигателя и формирования импульсного сигнала. Датчик фаз интегральным датчиком, т. Е. Включает чувствительный элемент и вторичный преобразователь сигнала в импульс. Чувствительный элемент датчика работает по принципу Холла, реагируя на изменения магнитного поля. Вторичный элемент датчика содержит в себе мостовую схему, операционный усилитель, выходной каскад.
Выходной каскад выполнен по типу открытого коллектора. Работа датчика фаз представляет собойP выбор такта для первого цилиндра: распредвал определяет какой клапан открыт, какая фаза газораспределения. В карбюраторных моторах данного датчика нет. Дело в том, что карбюраторный мотор подат искру свечи в момент сжатия и в конце пуска отработавших газов, а для такого принципа работы достаточно показаний датчика положения коленчатого вала ( ). Данный тип работы двигателя носит название система зажигания. На инжэкторных двигателях, когда датчик фаз(ДФ) умирает, загорается чек, и двигатель переходитP с фазированного впрыска на систему зажигания, то есть опираясь всего лишь на показания ДПКВ.
В чм преимущество фазированного впрыска? Ситема фазированного впрыска устроена следующим образом: датчик фаз передают импульс на P, который управляет подачей топлива и форсунка впрыскивает бензин в цилиндр перед самым открытием впускного клапана. Когда клапан открылся, воздух всасывается в впускной клапан и топливо активно перемешивается с воздухом. Где находится датчик фаз? Датчик фаз стоит на двигателе со стороны воздушного фильтра, рядом с головкой блока цилиндров.
Обратите внимание на рисунок: Если увас появились следующие признаки, то скорее всего неисправен датчик фаз (дф). Во время запуска двигателя, стартер крутится 3-4 секунды, затем двигатель запускается и загорается чек эйндж
В этом случае, во время запуска, эбу ждт показания с датчика фаз, недожидается и переходит в режим работы двигателя опираясь на систему зажигания (по ДПКВ)
Повышенный расход бензина. (Так же читайте: Сбои режима самодиагностики. Снижение динамики двигателя
В этом случае, во время запуска, эбу ждт показания с датчика фаз, недожидается и переходит в режим работы двигателя опираясь на систему зажигания (по ДПКВ). Повышенный расход бензина. (Так же читайте: Сбои режима самодиагностики. Снижение динамики двигателя.
(так же причина может быть в и в При неисправности датчика загорается чек и выскакивает ошибка P0340 Ошибка датчика фазы или неисправен датчик положения распредвала. Но как уже говорилось с самого начала, что описание проблемы разное, а суть то одна: (ещ раз повторюсь) датчик фаз и датчик положения распредвала это один и тот же датчик. Более подробно о возникновении ошибки и способах устранения читайте в статье:P PЧаще всего ремонт обходится просто: нужно заменить датчик на новый ( Примерная стоимость датчика фаз(ДФ) составляет 250-300р.
Что это такое и где найти?
Датчик положения распределительного вала (в русской литературе встречается аббревиатура «ДПРВ», в английской — CMP) используется для определения углового положения распредвала в конкретное время. Информация, передаваемая этим датчиком, крайне важна для контроля зажигания и фаз впрыска топливной смеси в цилиндры. Устройство обеспечивает впрыск только в цилиндр, находящийся в верхней позиции. Отдельные модели устройств используют эффект Холла, поэтому альтернативное название этого компонента – датчик Холла. Исходя из названия, находится датчик распредвала непосредственно рядом с распределительным валом. Расположение на конкретных моделях авто может отличаться, но в большинстве случаев найти устройство можно с правой или левой части мотора. В частности, в верхней области расположения ремня или среди электрокоммуникаций, расположенных во фронтальной части двигателя. На отдельных иномарках датчик могут установить в задней части головки блока цилиндров. На машинах компании General Motors разработчики выделили для этого датчика специальный отсек в подкапотном пространстве. Найти точную информацию относительно расположения в своей модели авто вы можете в техническом руководстве по эксплуатации.
Замена ГРМ Лада Калина 8 клапанов собственными силами

Замена ГРМ Лада Калина 8 клапанов несложная операция, по крайней мере здесь все гораздо прочем чем с версией двигателя с 16-ю клапанами. На Lada Kalina с 8-клапанным мотором менять ремень по данным завода изготовителя требуется раз в 75 тысяч километров. Обрыв ремня приводит к загибанию клапанов. А гнутые клапана, это дорогостоящий ремонт всего двигателя, поэтому игнорировать процедуру не стоит. Проверку ремня необходимо проводить раз в 15 тысяч километров. Если вы обнаружите дефекты или масло на ремне, то его необходимо менять незамедлительно.
Подробная схема привода ГРМ Лада Калина далее.
- 1 — зубчатый шкив коленчатого вала
- 2 — зубчатый шкив насоса охлаждающей жидкости
- 3 — натяжной ролик
- 4 — задняя защитная крышка
- 5 — зубчатый шкив распределительного вала
- 6 — зубчатый ремень ГРМ
- А — прилив на задней защитной крышке
- В — метка на шкиве распределительного вала
- С — метка на крышке масляного насоса
- D — метка на шкиве коленчатого вала.
Для замены ремня привода газораспределительного механизма нам следует демонтировать ремень привода генератора или ремень привода вспомогательных агрегатов для Калины с кондиционером. Шестигранником «на 5» отворачиваем четыре винта крепления передней верхней крышки привода ГРМ и снимаем пластиковый кожух.
Во избежание повреждения датчика положения коленчатого вала необходимо снять и его. При выключенном зажигании отжимаем фиксатор колодки жгута проводов и отсоединяем колодку от разъема датчика. Головкой «на 10» отворачиваем болт крепления датчика.

Вынимаем датчик из отверстия прилива крышки масляного насоса и откладываем его на место, где нет стальных опилок, могущих впоследствии нарушить работу датчика.
Перед демонтажем ремня необходимо проверить фазы газораспределения двигателя — установить поршень 1-го цилиндра в положение ВМТ (верхней мертвой точки) такта сжатия. Головкой «на 17» проворачиваем коленчатый вал по часовой стрелке за болт крепления шкива привода генератора до момента совмещения метки 1 на зубчатом шкиве распределительного вала с приливом 2 на задней крышке привода ГРМ.

Чтобы убедиться в правильном положении коленчатого вала, вынимаем резиновую заглушку смотрового окна в верхней части картера сцепления. Риска 2 на маховике должна располагаться напротив прорези 1 шкалы которая видна в окне крышки картера сцепления.

Перед отворачиванием болта крепления шкива привода генератора просим помощника зафиксировать коленчатый вал от проворачивания, вставив через окно в картере сцепления отвертку между зубьями маховика.

Головкой «на 17» отворачиваем болт крепления шкива привода генератора снимаем шкив и шайбу.

Шестигранником «на 5» отворачиваем три винта крепления передней нижней крышки привода ГРМ. Снимаем крышку.

Накидным ключом «на 15» ослабляем затяжку болта крепления натяжного ролика.

При этом натяжной ролик повернется и натяжение ремня ослабнет. Снимаем ремень привода ГРМ со шкивов коленчатого и распределительного валов. Вынимаем ремень из моторного отсека.

Внимание! После снятия ремня привода ГРМ нельзя проворачивать коленчатый и распределительный валы во избежание утыкания поршней в клапаны. Размеры зубчатого ремня привода ГРМ Lada Kalina с двигателем 8 клапанов — ширина 17 мм, число зубьев 113
Для снятия натяжного ролика ремня ГРМ отворачиваем болт его крепления и снимаем натяжной ролик вместе с болтом.
Суть и принцип работы
Датчик распредвала на ВАЗ 2114 (датчик фаз) предназначен для формирования импульсных сигналов на основании информации о цикле работы двигателя. Он расположен на двигателе в районе головки блока, возле воздушного фильтра в 8-ми клапанном варианте и на ведущем распредвале возле генератора в 16-ти клапанном.
Прибор является элементом бортового управления двигателем, а устанавливается исключительно на инжекторные моторы. Он есть во всех ВАЗ 2114 соответствующих ЕВРО-3 и обладающих последовательным впрыском топливной смеси.
Конструкция датчика фаз состоит из:
- Чувствительной части.
- Преобразователь сигнала.
Второй включает в себя:
- Мостовую схему.
- Открытый коллекторный выходной каскад.
- Операционный усилитель.
Работа чувствительного элемента построена на принципе Холла. Он представляет собой улавливающую колебания магнитного поля схему. Когда микросхема получает сигнал, а это происходит когда мимо нее проходит головка клапана, являющаяся магнитопороводящим материалом (сталью), он передает сигнал дальше по устройству. Полученная информация анализируется бортовой системой машины и на основе полученных данных происходит контролируемый впрыск.
ПРИЗНАКИ НЕИСПРАВНОСТИ И ПРОВЕРКА
Признаки неисправности датчика распредвала, по которым можно определить, что устройство вышло из строя, следующие:
- Увеличившийся расход топлива;
- Неполадки в режиме самодиагностики автомобиля;
- Уменьшение динамики разгона;
- Появление на приборной панели знака “Check Engine” либо ошибок 0343 или 0340.
Значек “Check Engine”, как правило, загорается тогда, когда ДФ полностью вышел из строя. Происходит следующее: вы включаете зажигание, после чего начинает работать стартер, в это время в блок ЭБУ с датчика должен поступать сигнал, но поскольку ДФ сломан – его нет, и электронное управление переводит двигатель в режим парного впрыска(опираясь исключительно на данные полученные от ДКПВ), отключая фазированный впрыск топливной смеси.
Если вы обнаружили какие-либо признаки неисправности, необходимо выполнить проверку ДФ. Сделать это можно самостоятельно, вам понадобится лишь тестер (мультиметр), приобрести который можно в любом автомобильном магазине за 400-600 рублей. Устройство недорогое, но полезное – при проведении диагностики автомобиля оно вам потребуется неоднократно.
На четырнадцатые с 16-ти клапанным движком устанавливаются ДФ модели 21120-3706040, на 8-ми клапанные – 21110-3706040. Проверка каждого из них имеет некоторые особенности.
Схема (для 8 кл.)
- На щупе мультиметра (режим V1), который будет подсоединятся к контакту “Е” на датчике, устанавливаем напряжение в 13,5 В., на втором щупе (подсоединяем к контакту “В”) – 0,9 В;
- Замыкаем щупы на соответствующих контактах. К торцевой части ДФ подносим металлическую пластину (подойдет отвертка). Если устройство работает нормально, мультиметр покажет, что на контакте “В” напряжение упало до 0.4 В (должно возвращаться к 0.9, когда пластина убирается). Отличия в показаниях – датчик на замену.
Проверка ДФ 16-ти клапанного движка:
Схема (для 16 кл.)
- Переводим тестер в режим V2. На щупе контакта “Е” устанавливаем напряжение 13.5 В, на контакте “В” – 0.4 В;
- В отверстие на торце корпуса ДФ вставляем отвертку. При рабочем датчике напряжение на контакте “В” вырастет до 0.9 Ват и опустится обратно, если отвертку убрать.
Проверка работоспособности датчика положения распредвала без диагностики
Проверить датчик можно и без выполнения диагностических операций. Достаточно получить доступ к детали и тщательно ее осмотреть. Если в процессе эксплуатации был поврежден корпус изделия, то дальнейшая эксплуатация невозможна. Более того, причиной неисправности стала именно разгерметизация внешней оболочки, поэтому потребуется замена устройства. В процессе эксплуатации устройство должно быть надежно защищено от негативного воздействия. Вода, грязь или моторное масло могли попасть внутрь изделия и вызывать неисправность датчика.
Наличие металлической стружки на корпусе датчика также может являться существенным препятствием на пути нормальной работы элемента. Также может износиться задающий диск. Этот элемент часто повреждается механически, что влечет за собой отсутствие сигнала положения распределительного вала.
Качественно проверить датчик распредвала можно только с помощью мультиметра или осциллографа. Первый способ является более простым, второй – дает большее количество точной информации.
Как проверить датчик положения распредвала мультиметром
Эффективная диагностика распределительного вала с применением тестера или мультиметра может быть осуществлена следующим образом:
- Демонтаж датчика. Деталь необходимо снять с автомобиля. Для выполнения этой операции достаточно отсоединить контактные провода и открутить винт крепления.
- Подготовить небольшой предмет из черного металла.
- Перевести мультиметр в режим измерения постоянного тока.
- Проверить питание на контактных проводах. Для этой цели следует включить зажигание и замерить напряжение на крайних контактах фишки.
- Подать на датчик рабочее напряжение (12 В).
- Замерить вольтметром напряжение между положительным контактом и сигнальным выходом. (как правило, сигнальный выход расположен посередине фишки).
- Напряжение должно составлять не менее 10,8 В.
- Поднести к торцевой части датчика заранее подготовленный металлический предмет. При этом напряжение должно упасть до 0,4 В.
Если изменение напряжения не будет зафиксировано, то датчик необходимо менять. При отсутствии питающего напряжения на фишке следует проверить электрическую проводку автомобиля на предмет повреждения.

Как проверить датчик распредвала ВАЗ 2114
Датчик ВАЗ 2114 находится возле воздушного фильтра около ГБЦ. Распиновка датчика положения распредвала в этом автомобиле следующая:
- Контакт «А» — «минус»,
- Контакт «В» — «плюс».
- Контакт «С» — сигнальный.
Находятся силовые контакты по краям фишки. Серединный вывод («С») является сигнальным именно по нему можно определить исправность устройства. Для выполнения диагностической операции также потребуется подключить к крайним проводам электрическое напряжение 12 Вольт, а затем выполнить замеры на серединном контакте. Напряжение должно составлять не менее 90% от этого значения (не менее 10,8 В).
На следующем этапе диагностики возле контактной части датчика фаз размещается предмет из магнитной стали. Если при этом напряжение снизилось до 0,4 Вольта, то устройство можно дальше эксплуатировать.
Как проверить датчик фаз (ДПРВ) с помощью осциллографа
Датчик фаз (ДПРВ) можно более точно проверить с помощью осциллографа. Для того чтобы сделать замеры следует подключить измерительное устройство к центральному контакту сенсора. Исправный датчик будет генерировать ровную диаграмму-рассечку с одним пиком, указывающим на момент прохождения основного рабочего импульса. При наличии иной осциллограммы потребуется дополнительная проверка. Выполнить проверку датчика осциллографом можно только на заведенном двигателе или специальном диагностическом стенде.

Электронный блок управления двигателем
Блок устанавливается в моторном отсеке, крепится специальными кронштейнами. Питание от переменного тока. Основная функция ЭБУ – диагностическая, контроль над работой силового агрегата, идентификация неисправностей, уведомление на центральной приборной панели. Во избежание негативных последствий ЭБУ переводит неисправные агрегаты в аварийный режим работы.

При запуске двигателя Chevrolet Lacetti на центральной консоли загорается ряд индикаторов, после двух секунд работы они гаснут, что указывает на исправность всех систем автомобиля. Если какой-то из индикаторов не погас, очевидно, что механизм неисправен, требуется профилактика, диагностика. После перехода в аварийный режим работы снижается мощность двигателя, повышается потребление горючего, педаль акселератора становится малоинформативной с периодическими провалами при нажатии. Вывод из аварийного режима возможен при помощи программного обеспечения или автоматически после третьей безаварийной поездки.
Все системные ошибки, даже те, которые уже устранены, записываются в памяти блока управления. По необходимости они считываются диагностическим сканером, подключенным к колодке под рулевым колесом, справа от рычага открытия капота.
Ошибки датчика фаз

Бортовой компьютер установленный на машину, когда датчик фаз ваз 2114 неисправен, выдает одну из двух возможных ошибок, как упоминалось ранее.
Каждая из них требует отдельного рассмотрения: — 0340 — ошибка отсутствия сигнала. Виновником может являться как окислившийся контакт, так и механическое повреждение самого датчика. Решается такая ошибка. Решение проблемы — проверка контактов до ЭБУ или замена датчика. — 0343 — повышенный уровень сигнала. Причина в окислении клемм на колодке контактов, повреждение проводки, ненадежное (коротящее) соединение. Плюсом является то, что датчик скорее всего не причем, а минус в том, что предстоит неслабая экскурсия по проводке автомобиля.
Замена датчика фаз на автомобилях Лада Калина, Приора и Гранта (16 клапанов)
Неисправность датчика фаз (ДФ) возможно определить только диагностическим прибором. При выходе датчика из строя характеристики двигателя никак не изменяются, кроме чуть завышенного расхода топлива (0,5 л), который легко скрывается за стилем вождения. Еще из симптомов – задержка в запуске двигателя на 2 секунды вследствие ожидания сигнала от датчика. После ЭБУ перейдет на попарно-параллельный впрыск. Если при этой неисправности машина троит и неустойчиво работает на холостом ходу, а так же стала «тупой» при разгонах, то стоит проверить, не провернуло ли зубчатый шкив на коленчатом валу (идет на привод генератора и остальных систем). Для проверки необходимо выставить первый цилиндр в верхнюю мертвую точку (ВМТ). Датчик положения коленвала должен смотреть на начало 20-го зубца от двух пропущенных.
Если со шкивом и работой все в порядке, то необходимо сбросить ошибку на ЭБУ и посмотреть, при каких условиях она снова появится. Если ошибка при работе двигателя на холостом ходу не возникает, необходимо проверять все соединения и провода. Это делается шевелением клеммы и жгута проводки. Если ошибка появилась при этой операции, то нужно искать плохой контакт, датчик не причем.
Если ошибка возникла спустя 15 секунд после сброса при ровной работе – то можно смело менять датчик. Для достоверности его можно проверить (схема проверки есть в Интернете), но цена нового датчика около 200 рублей — за эти деньги проще купить заведомо исправный, и, даже если дело окажется не в нем, иметь запасной.
Итак, мы убедились, что дело в датчике и будем его менять.
Для замены датчика фаз на автомобилях семейства Приора, Калина и Гранта с 16-ти клапанным двигателем нам потребуются:
- Ключ «на 10» (лучше головка «на 10»)
- Шестигранник «на 5»
- Ключ «на 17»
- Датчик фаз для 16-ти клапанного мотора ВАЗ
1. Датчик установлен на передней стороне двигателя (со стороны радиатора) рядом со шкивом впускного распределительного вала. Сверху его не видно. Определяем положение по подходящему в это месту жгуту проводов.

2. Отсоединяем клемму. Ключом «на 10» откручиваем два болтика. Откручивать аккуратно, так как они имеют свойство «убегать» под машину и в генератор вместе с шайбами.
3. Снимаем датчик и осматриваем. В данном случае на нем обнаружены механические повреждения от шкива распредвала. Необходимо снять защитный пластиковый кожух и проверить состояние всего механизма. Если ДФ не имеет следов соприкосновения со шкивом, то просто меняем датчик на новый, и собираем в обратной последовательности.

4. Сразу оговорюсь, что в данном случае была проблема со шкивом генератора (провернуло зубчатый венец датчика коленвала). Датчик коленвала определял положение ВМТ с ошибкой, мотор сильно вибрировал, что и привело к поломке датчика фаз. И только тогда загорелась ошибка на панели приборов.
5. Откручиваем винты крепления кожуха шестигранником «на 5». Они располагаются сверху и по краям, один в центре под выступом и один с левого края кожуха внизу. Вытаскиваем винты вместе с кожухом. Осматриваем состояние ремня ГРМ (на фото ниже для наглядности крышка уже снята).

6. Выставляем первый цилиндр в верхнюю мертвую точку. Для этого либо ставим автомобиль на 4-ую передачу и катаем, или проворачиваем ключом за болт коленвала или распредвала. Метки на шкивах распредвалов должны попасть под прорези на пластиковом пыльнике (указаны стрелками).

7. Обе метки должны находиться вверху. Для проверки правильности выставления коленвала есть окошко в коробке переключения передач, но оно сделано под 8-ми клапанный мотор, а в двигателе 2112 по нему ориентироваться очень тяжело. Проще проверить по зубчатому венцу на шкиве вспомогательных агрегатов. Датчик коленвала (ДКВ) должен смотреть на начало 20-го зуба после пропусков (справа стрелка показывает пропуск, стрелка слева указывает на ДКВ):

8. Если все совпадает, то через прорези в шкиве впускного распредвала определяем состояние шторки. Она не должна иметь никаких дефектов. Шестерня не должна свободно перемещаться или качаться. В случае обнаружения несоответствия фаз или повреждений данных элементов необходимо разбирать привод ГРМ. Как это делать, подробно описано в статье замена привода ГРМ на автомобилях Лада Приора, Калина и Гранта (16 клапанов).

9. Если все узлы в порядке, то ставим новый датчик. Проворачиванием коленвала убеждаемся, что шторка не соприкасается с датчиком.
10. Собираем в обратной последовательности.





































